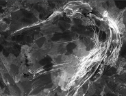
Jak wygląda grafen z bliska i to powiększony pod mikroskopem 6 milionów razy? - w Centrum NanoBioMedycznym UAM powstał nietypowy album "Microstructures - photo album". Album zawiera ponad 200 fotografii wykonanych pod mikroskopem, na których można zobaczyć powiększone kilka milionów razy: nanocząstki, żele, hodowle komórkowe oraz inne układy, którymi na co dzień zajmują się pracownicy Centrum NanoBioMedycznego (CNBM). Inicjatorem powstania albumu jest prof. Stefa Jurga, były rektor UAM, a obecnie dyrektor Centrum NanoBioMedycznego.

Wersy "Rozmowy Mistrza Polikarpa ze Śmiercią", utworu pochodzącego ze średniowiecza, zabrzmią 7 listopada w Teatrze Polskim w Poznaniu. To właśnie poznański naukowiec, prof. Wiesław Wydra z Instytutu Filologii Polskiej WFPiK UAM, odnalazł kilka miesięcy temu nieznane dotąd, drukowane wydanie tekstu. Wydarzenie rozpocznie się o godz. 19:00 i wpisuje się w obchody 50-lecia Instytutu.

Rektor UAM prof. Andrzej Lesicki i Międzyuczelniany Komitet Obchodów 100-lecia Uniwersytetu Poznańskiego zapraszają na koncert "1918. Wolność i inne ważne słowa" stanowiący refleksję z okazji 100-lecia istnienia Uniwersytetu Poznańskiego i odzyskania niepodległości.

Uniwersytet im. Adama Mickiewicza i Miasto Poznań zapraszają na kolejne wykłady otwarte. Tym razem dwie prelekcje wygłosi prof. dr Zbigniew Formella SDB, salezjanin, wykładowca Papieskiego Uniwersytetu Salezjańskiego w Rzymie. Wykłady odbędą się 7 listopada o godz. 11:00 oraz 8 listopada o godz. 15:00 w budynku A, aula A na Wydziale Teologicznym UAM przy ul. Wieżowej 2/4.

Szukasz stażu? Praktyki? Wkrótce kończysz studia i chcesz znaleźć odpowiednią pracę? A może zdjęcie w Twoim CV nie jest już do Ciebie podobne? Przyjdź i poukładaj swoją karierę. Biuro Karier UAM zaprasza do udziału w XXI Akademii Rozwoju, która odbędzie się 6 listopada 2018 w godzinach 10.00 - 16.00 na Wydziale Matematyki i Informatyki UAM (Campus Morasko).

Kilkaset cebulek specjalnej odmiany tulipana o nazwie "Uniwersytet Poznański" zasadzono w piątek 26 października przed Aulą Uniwersytetu im. Adama Mickiewicza. Kwiaty zakwitną w maju 2019 i ubarwią uroczyste obchody 100-lecia Uniwersytetu Poznańskiego.

Blisko 400 stopni będą mieli do pokonania uczestnicy IV biegu po schodach Collegium Altum poznańskiego Uniwersytetu Ekonomicznego. Bieg odbędzie się 28 października 2018. Uczestnicy będą mieli do pokonania 17 pięter charakterystycznego budynku Uniwersytetu Ekonomicznego w centrum Poznania.

Rozpoczęła się druga edycja programu BEST Student GRANT UAM - konkursu grantów dla najlepszych, którzy rozpoczęli studia na tej uczelni. BEST Student GRANT to program dla tych, którzy już marzą o własnych badaniach, widzą siebie jako naukowca i chcą otrzymać własny grant.

Gruzińskie miasto partnerskie Poznania - Kutaisi - ogłosiło konkurs fotograficzny pod tytułem Ilo na cześć słynnego gruzińskiego fotografa Khakhaleishvili. Tematem tegorocznej edycji jest "Moje miasto". Za najlepsze prace Urząd Miasta Kutaisi przewidział nagrody finansowe, a także publikację zdjęć w oficjalnym kalendarzu. Termin nadsyłania zdjęć to 10 listopada. 

Kolejna edycja największych targów praktyk i staży w Polsce odbędzie się dziś w Poznaniu. Dni Kariery organizowane są od 25 lat przez AIESEC Polska. Targi odbywają się na Międzynarodowych Targach Poznańskich w hali nr 3 (godz. 9-16).

Światowej sławy naukowcy, wybitni prelegenci - badacze, dydaktycy oraz praktycy z Brazylii, Węgier, Ugandy, Portugalii, Australii, Kanady, Kosowa oraz Polski rozmawiać będą o świecie turysty kulturowego w trakcie konferencji "Turystyka kulturowa - teoria i praktyka". Organizowana przez poznańską Akademię Wychowania Fizycznego konferencja odbędzie się w dniach 25-26 października 2018.

Uniwersytet im. Adama Mickiewicza oraz Miasto Poznań zapraszają na wykład otwarty zatytułowany "The current regional security situation: Afghanistan, Iran, and Pakistan", który odbędzie się w poniedziałek 22 października o godz. 13:15 w sali 121 na Wydziale Nauk Politycznych i Dziennikarstwa UAM ul. Umultowska 89a. Gościem specjalnym będzie prof. Tughral Yamin - pakistański badacz zajmujący się problematyką stosunków międzynarodowych w Azji Południowej.

Z ochraniaczami na czoło i nos, jako kaptur z plastikowymi wstawkami poszerzającymi pole widzenia czy z nakładkami na uszy i opuszczanymi okularami, chroniącymi oczy przed deszczem, śniegiem i wiatrem - oto projekty czapek Agnieszki Węglińskiej. Absolwentka poznańskiej School of Form Uniwersytetu SWPS stworzyła nakrycia głowy z myślą o specyficznych potrzebach człowieka.

Prestiżowy grant europejski dla Uniwersytetu im. Adama Mickiewicza w Poznaniu. Agencja Wykonawcza ds. Edukacji, Kultury i Sektora Audiowizualnego Unii Europejskiej przyznała UAM, jako jednej z kilkunastu uczelni w świecie, grant naukowy pod nazwą Centrum Doskonałości Jean Monnet. Program realizowany będzie na Wydziale Nauk Politycznych i Dziennikarstwa w latach 2018-2021 pod kierownictwem naukowym prof. UAM dr hab. Tadeusza Wallasa.

School of Form zaprasza do udziału w wernisażu wystawy "Empatia, teraz!". Wernisaż odbędzie się 18 października 2018 o godzinie 18.00. Towarzyszyć mu będzie oprowadzanie kuratorskie w wykonaniu Michała Bachowskiego a tuż po nim o godzinie 19.00 wykład Bliżej wykluczenia - bliżej wykluczonych dr Małgorzaty Gamian-Wilk, wykładowcy Uniwersytetu SWPS.

Liczba wyników na stronie
20